HGZX5KV型兆欧表检定装置
产品服务
一、概述
本装置是依据JJG622-1997绝缘电阻表检定规程、JJG1005-2005电子式绝缘电阻表检定规程和JJG1072-2011直流高压高值电阻器检定规程等有关文件研制生产的。该仪器设计了独立的泄漏屏蔽端钮和接地端钮。它不仅可用于检定各种型号的进口和国产模拟式绝缘电阻表、数字式绝缘电阻表、绝缘电阻测试仪的标准,以及作为直流标准高值电阻器使用。具有较长的技术寿命和机械寿命。
测量范围100Ω~200GΩ,调节细度100Ω。
检定装置中电压测量部分的标称测量电压为5kV DC,输入阻抗≥10GΩ。本装置能测量绝缘电阻表的开路电压、中值电压和峰值电压。
二、主要技术参数
1.电阻输出(高压高阻箱)部分
1.1 电阻输出部分的准确度等级及工作电压(电流)
阻值Ω | 100G | ×10G | ×1G | ×100M | ×10M | ×1M | ×100k | ×10k | ×1k | ×100 |
准确度等级 | 5 | 5 | 2 | 1 | 0.5 | 0.2 | 0.2 | 0.2 | 0.2 | 0.2 |
标称电压电流 | 5kV | 5kV | 5kV | 5kV | 2.5kV | 1kV | 1mA | 5mA | 10mA | 10mA |
1.2 调节范围: (0~200G)Ω,调节细度为100Ω
1.3 使用环境条件
(1)参 考 温 度 范围:17℃~23℃
(2)标称使用温度范围: 15℃~25℃
(3)参 考 湿 度 范围:30%~60%
(4)标称使用湿度范围:25%~75%
1.4 绝缘电阻:
检定装置中电阻输出部分的电路与电路无电气连接的任何其它外部金属间的绝缘电阻,在标称电压下测得的电阻值不小于1GΩ。
1.5 绝缘强度:
检定装置中电阻输出部分的电路与测试用参考接地点之间,应能承受频率为45~65Hz的实际正弦交流电压6.75kV并历时1min的试验,而不出现击穿与飞弧现象。
1.6 检定装置中电阻输出部分输出端的残余电阻应<1Ω,其变差<0.1Ω。
1.7 外形尺寸: 442mm×270mm×145mm
1.7 重 量: <5kg
2. 电压测量(高压直流数字电压表)部分
2.1 测量范围: 0~5500VDC
2.2 准 确 度: ±(1%读数±0.2满量程)
2.3 供电电源: DC9V
2.4 输入电阻: ≥10GΩ
2.5 显 示: 四位半、液晶显示
2.6峰值电压测量回路满足JJG622-1997绝缘电阻表检定规程中图3的要求。
三、原理与结构
1.电阻输出(高压高阻箱)部分
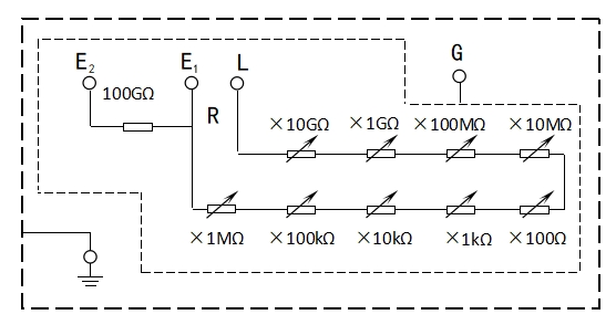
1.1电阻输出部分由九个十进制电阻盘和一只固定电阻组成,原理线路见下图:

1.2电阻输出部分的开关是选用获专利的高压开关,是特制的高强度绝缘材料制成的密封型轻压力开关,绝缘电阻高,接触电阻小,使用寿命长,免于清洗。开关的动作过程为先通后断,在测量过程中不会开路,完全满足JJG622-1997绝缘电阻表检定规程第15.1.6条的要求。
1.3具有独立的泄露屏蔽端钮和接地端钮。
1.4电阻选用特制的高稳定性电阻元件,其温度系数小,电压系数小,年变化小,从而保证了高压高阻箱的稳定性和准确度。
2.电压测量(高压直流数字电压表)部分
2.1 电压测量部分集高压直流数字电压表与峰值电压测量回路于一体。原理线路见下图:

2.2 高压直流数字电压表采用高输入阻抗的4 1 2 位表。高压分压器输入电阻≥10GΩ,具有较小的电压系数,线性好。
四、使用说明
1.电阻输出(高压高阻箱)部分
电阻输出部分与被测表之间,必须采用随机配置的带灯笼插头的高压专用测试线连接!
送检时,提醒检定机构,在检定时必须使用本装置专用测试线!
测试前,请先行旋转电阻盘开关,以确保其接触良好。
1.1电阻输出部分与被检仪表连接后,根据被检仪表类别选择开关位置。
由于高阻箱检定对仪器内部湿度要求高,建议在冬、春季检定。接线见下图:

图 3电阻测量接线图
1.2 将电阻输出部分的电阻值按被测表待检定的刻度线所对应的电阻值预置,首先检查预置电阻的准确度是否满足要求,同时还应注意预置电阻的标称电压大小。
预置时尽可能使用低阻值电阻盘,因其准确度高,标称工作电压高,调节方便。一般只使用其中的两个或三个电阻盘。例如:
预置2MΩ,在电阻输出部分上应示出1.9(10) MΩ[式中的(10)表示×10kΩ盘示出10],而非2.00MΩ。这样可以方便调节被检表出现的正、负误差,如1.99MΩ,2.01MΩ。
又如,预置100kΩ,在电阻输出部分上应示出99.(10)kΩ,即(9×10kΩ+9×1kΩ+10×100Ω),而不示出1×100kΩ。
1.3检定装置应工作在参考范围才能保证准确度,超过参考范围时要附加误差。当相对湿度较大时,测量高值电阻,如5×10GΩ时,因为机箱内湿度偏高,电阻值会偏小。
1.4固定电阻100 GΩ是供扩大测量范围之用。被检示值>100 GΩ时,应将100 GΩ与R串联使用,即L E2两端。

2.电压输入(高压直流数字电压表)部分
2.1 使用前请阅读本说明书,严禁带电接线。
2.2 使用随机所带专用导线接线,注意被测量端极性。
2.3 测量直流高电压或绝缘电阻表的开路电压时,按图4接线。
2.4 测量绝缘电阻表的中值电压时,按图5接线。
2.5 测量绝缘电阻表的峰值电压时,按图6接线。
2.6 供电电源采用DC9V电源,设置在箱体底部。
2.7 测量完毕,数表可能仍有电压显示,其数值在逐渐减小,属于正常现象。如将输入端短路,仪表即显示“0000”。
2.8 供电电压不足时,请更换9V电池。
☆ 用户在遵守说明书规定的使用和保存的条件下,从发货之日起12个月内,仪器的主要技术指标达不到说明书中的标准的,可免费为用户维修或更换。
五、成套性
1. 绝缘电阻表检定装置一台。
2. 测试线一组。
3. 使用说明书一份。
4. 专用包装箱一个。


在线咨询
微信沟通